第十五章 高效液相色谱法
High Performance Liquid Chromatography,HPLC
15.1概述
高效液相色谱又称为高压液相色谱(High Pressure Liquid Chromatography)、高速液相色谱(High Speed Liquid Chromatography)、高分离度液相色谱(High Resolution Liquid Chromatography)或现代液相色谱(Modern Liquid Chromatography),是在20世纪60年代末期在经典液相色谱法和气相色谱法的基础上发展起来的一种新型分离分析技术。由于其适用范围广,分离速度快,灵敏度高,色谱柱可以反复使用,样品用量少,还可以收集被分离的组分,特别是计算机等新技术的引入使其自动化与数据处理能力大大提高,高效液相色谱技术得到飞速发展。
高效液相色谱法和经典液相色谱法在分析原理上基本相同,但由于在技术上采用了新型高压输液泵、高灵敏度检测器和高效微粒固定相,而使经典的液相色谱法焕发出新的活力。经过数十年的发展,高效液相色谱法在分析速度、分离效能、检测灵敏度和操作自动化等方面,都达到了很高的程度,可以和气相色谱法相媲美,并保持了经典液相色谱对样品通用范围广、可供选择的流动相种类多和便于用作制备色谱等优点。至今,高效液相色谱法已在生物工程、制药工业、食品行业、环境监测、石油化工等领域获得广泛的应用。
经典液相色谱法通常使用的固定相是多孔粗粒,装填在大口径长色谱柱(玻璃)管内,流动相是靠重力作用流经色谱柱的,溶质在固定相的传质速度缓慢,柱入口压力低,分析时间长,因此柱效低,分离能力差,难以解决复杂混合物的分离分析;而高效液相色谱法使用的固定相是全多孔微粒,装填在小口径、短不锈钢柱内,流动相是通过高压输液泵进入色谱柱的,溶质在固定相的传质、扩散速度大大加快,柱效可比前者高2~3个数量级,从而在短时间内获得高柱效和高分离能力,可以分离上百个组分。总体来看高效液相色谱法和经典液相色谱法主要有以下不同(见表15.1)。
表15.1
高效液相色谱法与经典液相色谱法的比较
|
方法 项目 |
高效液相色谱法 |
经典液相色谱法 |
|
色谱柱 柱长/cm 柱内径/mm |
可重复使用 10~25 2~10 |
只用一次 10~200 10~50 |
|
固定相粒径/µm 筛孔/目 |
5~50 250~300 |
75~600 200~30 |
|
色谱柱入口压力/MPa |
2~20 |
0.001~0.1 |
|
色谱柱柱效/(理论塔板数/m) |
2×103~5×104 |
2~50 |
|
进样量/g |
10-4~10-2 |
1~10 |
|
分析时间/h |
0.05~1.0 |
1~20 |
|
在线检测 |
能在线检测 |
不能在线检测 |
气相色谱法具有高选择性、高分离效率、高灵敏度和分析速度快的特点,但它仅适用于分析蒸气压低、沸点低的样品,而不适用于分析高沸点有机物、高分子和热稳定性差的化合物以及生物活性物质,因而使其应用范围大受限制。在全部有机合物中仅有20%的样品适用于气相色谱法分析。而高效液相色谱法却恰好弥补气相色谱法的不足,适合分离分析80%的有机化合物,广泛的用于天然产物、生物活性物质、生物大分子等有机物的分离分析。此两种方法的比较可见表15.2。
表15.2
高效液相色谱法与气相色谱法的比较
|
方法 项目 |
高效液相色谱法 |
气相色谱法 |
|
进样方式 |
样品制成溶液 |
样品需加热气化或裂解 |
|
流动相 |
(1)液体流动相可为离子型、极性、弱极性、非极性溶液,可与被分析样品产生相互作用,并能改善分离的选择性 (2)液体流动相动力粘度大,传输流动相压力高。 |
(1)气体流动相为惰性气体,不与被分析的样品发生相互作用 (2)气体流动相动力粘度小,传输流动相压力低 |
|
固定相 |
(1)分离机理:可依据吸附、分配、筛析、离子交换、亲和等多种原理进行样品分离,可供选用的固定相种类繁多 (2)色谱柱:固定相粒度小为5~10µm;填充柱内径为3~ 柱温为常温 |
(1)分离机理:可依据吸附、分配两种原理进行样品分离,可供选用的固定相种类较多 (2)色谱柱:固定相粒度大0.1~ 柱温为常温~ |
|
检测器 |
选择性检测器:UVD,PDAD,FD,ECD 通用型检测器:ELSD,RID |
通用型检测器:TCD,FID(有机物) 选择性检测器:ECD*,FPD,NPD |
|
应用范围 |
可分析低分子量低沸点样品;高沸点、中分子、高分子有机化合物;离子型无机化合物;热不稳定,具有生物活性的生物分子 |
可分析低分子量低沸点有机化合物;永久性气体;配合程序升温可分析高沸点有机化合物;配合裂解技术可分析高聚物 |
|
仪器组成 |
溶质在液相的扩散系数很小,因此在色谱柱以外的死空间应尽量小,以减少柱外效应对分离效果的影响 |
溶质在气相的扩散系数大,柱外效应影响较小,对毛细管气相色谱应尽量减小柱外效应对分离效果的影响 |
注:UVD-紫外吸收检测器,PDAD-二极管阵列检测器,ECD-电化学检测器,ECD*-电子捕获检测器,ELSD-蒸发激光散射检测器,FD-荧光检测器,RID-折光指数检测器,TCD-热导检测器,FID-氢火焰离子化检测器,FPD-火焰光度检测器,NPD-氮磷检测器
(1)分离效能高 由于新型高效微粒固定相填料的使用,液相色谱填充柱的柱效可达2×103~5×104块·m-1理论塔板数,远远高于气相色谱填充柱103块·m-1理论塔板数的柱效。
(2)选择性高 由于液相色谱柱具有高柱效,并且流动相可以控制和改善分离过程的选择性。因此,高效液相色谱法不仅可以分析不同类型的有机化合物及其同分异构体,还可分析在性质上极为相似的旋光异构体,并已在高疗效的合成药物和生化药物的生产控制分析中发挥了重要作用。
(3)检测灵敏度高 在高效液相色谱法中使用的检测器大多数具有较高的灵敏度。如使用广泛的紫外吸收检测器,最小检出量可达10
(4)分析速度快 由于高压输液泵的使用,相对于经典液相(柱)色谱,其分析时间大大缩短,当输液压力增加时,流动相流速会加快,通常分析一个样品在15~30 min,有些样品甚至在5 min内即可完成。
高效液相色谱法除具有以上特点外,它的应用范围也日益扩展。由于它使用了非破坏性检测器,样品被分析后,在大多数情况下,可除去流动相,实现对少量珍贵样品的回收,亦可用于样品的纯化制备。
15.2高效液相色谱仪
高效液相色谱仪自1967年问世以来,由于使用了高压输液泵、全多孔微粒填充柱和高灵敏度检测器,实现了对样品的高速、高效和高灵敏度的分离测定。20世纪70~80年代高效液相色谱仪获得快速发展,并引入微处理机技术,极大地提高了仪器的自动化水平和分析精度。
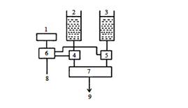
高效液相色谱仪可分为分析型和制备型,虽然它们的性能各异、应用范围不同,但其基本组件相似。现在用计算机控制的高效液相色谱仪,其自动化程度高,既能控制仪器的操作参数(如溶剂梯度洗脱、流动相流量、校温、自动进样、洗脱液收集、检测器功能等),又能对获得的色谱图进行收缩、放大、叠加,以及对保留数据和峰高、峰面积进行处理等,为色谱分析工作者提供了高效率、功能全面的分析工具。图15.1为高效液相色谱仪的组成示意图。

图15.1 高效液相色谱仪结构示意图
高效液相色谱工作过程为:高压泵将贮液器中的流动相经过进样器带入色谱柱,当注入欲分离的样品时,流动相将样品一并带入色谱柱进行分离,然后依先后顺序进入检测器,记录仪将检测器输出的信号记录下来,即得到色谱图,流动相和样品从色谱仪出口流出被馏分收集器收集得到。
以下分别介绍构成高效液相色谱仪的主要部件:贮液器、高压输液泵、进样装置、色谱柱、检测器、馏分收集器、记录仪和数据处理装置。
贮液器是用来存放流动相的容器,供给符合要求的流动相以完成分离分析工作。贮液器的材料应耐腐蚀、对洗脱液呈化学惰性,可为玻璃、不锈钢、聚四氟乙烯等材料制成。容积大小与柱子的粗细、泵的种类以及所采用的液相色谱系统有关。一般容积约为0.5~
高效液相色谱所用的溶剂在放入贮液器之前必须经过0.45µm的滤膜过滤,除去溶剂中可能含有的机械性杂质,以防输液管道或进样阀产生阻塞现象。对输出流动相的连接管路,其插入贮液罐的一端,通常要连有孔径为0.45µm的多孔不锈钢过滤器或由玻璃制成的专用膜过滤器。
高效液相色谱所用的流动相在使用前必须进行脱气,以除去其中溶解的气体,防止在洗脱过程中当流动相由色谱柱流至检测器时因压力降低而产生气泡,从而影响色谱柱的分离效率,影响检测器的灵敏度、基线的稳定性,严重时无法进行分析。此外溶解在流动相中的氧气,会造成荧光淬灭现象,影响荧光检测器的检测,还会导致样品中某些组分被氧化或会使柱中固定相发生降解而改变柱的分离性能。常用的脱气方法有如下几种:
(1)吹氦脱气法 使用在液体中比空气溶解度低的氦气,在0.1MPa压力下,以约60mL·min-1的流速通入流动相10~15min以驱除溶解的气体。此法适用于所有的溶剂、脱气效果较好,但因氦气价格较贵,使用具有局限性。
(2)加热回流法 此法脱气效果较好,但操作较复杂,且有毒性挥发污染。
(3)真空脱气法 此时可使用微型真空泵,降压至0.05~0.07MPa即可除去溶解的气体。显然使用水泵连接抽滤瓶和G4微孔玻璃漏斗可一起完成过滤机械杂质和脱气的双重任务。由于抽真空易抽走有机相会引起混合溶剂组成的变化,故此法适用于单一溶剂体系脱气。对于多元溶剂体系,每种溶剂应预先脱气后再进行混合,以保证混合后的比例不变。
(4)超声波脱气法 将欲脱气的流动相放于超声波清洗器中,用超声波振荡10~15min。但此法的脱气效果较差。
(5)在线真空脱气法(on-1ine degasser) 以上几种方法均为离线(off-1ine)脱气操作,随着流动相存放时间的延长又会有空气重新溶解到流动相中。在线真空脱气技术是把真空脱气装置串接到贮液系统中,结合膜过滤器,实现了流动相在进入输液泵前的连续真空脱气。此法能智能控制,无需额外操作,成本低,脱气效果优于上述几种方法,并适用于多元溶剂体系。
高压输液泵是高效液相色谱仪的重要单元部件,用于将流动相和样品输入到色谱柱和检测器中,从而使样品得以分析,其性能的好坏直接影响整个仪器和分析结果的可靠性。高压输液泵应具备以下特点:
(1)泵体材料耐化学腐蚀。通常使用普通耐酸、碱和缓冲液腐蚀的不锈钢。
(2)能在高压下连续工作。通常要求耐压40~50MPa·cm-2,能长时间连续工作。
(3)输出流量范围宽。对填充柱:0.1~10 mL·min-1(分析型);1~100 mL·min-1 (制备型)。对微孔柱:10~1000µL·min-1(分析型);1~9900µL·min-1(制备型)。
(4)输出流量稳定,重复性高。高效液相色谱使用的检测器,大多数对流量变化敏感,高压输液泵应提供无脉冲流量,这样可以降低基线噪声并获较好的检测下限。流量控制的精密度应小于1%,最好小于0.5%,重复性最好小于0.5%。其次还应具有易于清洗、易于更换溶剂、具有梯度洗脱功能等。
高压输液泵按排液性能可分为恒流泵和恒压泵,按其结构不同又可分为螺旋注射泵、柱塞往复泵和隔膜往复泵。目前多用柱塞往复泵。
(1)恒流泵 输出恒定体积流量的流动相,在色谱分析中,柱系统中阻力总是会变的,因此恒流泵比恒压泵更具优势,使用更普遍。按工作方式恒流泵又可分为注射型泵和往复型泵。
①注射型泵 又称注射式螺杆泵,如图15.2所示。

图15.2 注射型泵工作原理图
1.步进电动机 2.变速齿轮箱 3.螺杆 4.活塞
5.载液 6.至色谱柱 7.用单向阀封闭的载液入口
工作原理:它利用步进电动机经齿轮螺杆传动、带动活塞以缓慢恒定的速度移动,使载液在高压下以恒定流量输出。当活塞达到每个输出冲程末端时,暂时停止输出流动相,然后以极快速度进入吸入冲程,再次将流动相由单向阀封闭的载液入口吸入泵中,再重新进入输出冲程的运行,如此往复交替进行。
优点:可在高输液压力下给出精确的(0.1%)无脉动、可重现的流量;可通过改变电动机的电压,控制电动机的转速,来改变活塞的移动速度,从而可调节流动相流量,使其输出流量与系统阻力无关;该泵因其流量稳定、操作方便、可与多种高灵敏度检测器联接使用。
缺点:由于泵液缸容积(约100~150mL)有限,每次流动相输完后,需重新吸入流动相,故当流动相流量大时,流动相中断频繁,不利于连续工作,使用两台泵交替工作可克服此不足之处;此泵在高压下工作,对活塞和液缸间的密封要求很高,更换溶剂不方便,且价格昂贵。注射型泵目前在高效液相色谱仪中使用较少,而在超临界流体色谱仪中使用较多。
② 往复型泵
工作原理:柱塞往复式泵,类似于具有单向阀的往复运动的小型注射器。通常由电动机带动凸轮(或偏心轮)转动,再用凸轮驱动活塞杆作往复运动,柱塞向前运动,液体输出,流向色谱柱;向后运动,将贮液器中流动相吸入缸体。前后往复运动,将流动相源源不断地输送到色谱柱中。通过单向阀的开启和关闭,定期将贮存在液缸里的液体以高压连续输出。当改变电动机转速时,通过调节活塞冲程的频率,就可调节输出液体的流量,如图15.3所示。此泵每往复一次输出的流量由柱塞的截面积和冲程决定,单位时间输出的流量由柱塞的往复次数决定。隔膜式往复泵的工作原理与柱塞式往复泵相似,只是流动相接触的不是活塞,而是具有弹性的不锈钢或聚四氟乙烯隔膜。此隔膜经液压驱动脉冲式地排出或吸入流动相,隔膜式往复泵的优点是可避免流动相被污染。
目前已研制出双柱塞往复式串联泵,它由马达从相反方向推动两个球形螺旋传动,由于球形螺旋传动的齿轮有不同的圆周(2:1),使第一个活塞的运动速度是第二个活塞的两倍,如图15.4所示。它启动时,通过运行一个初始程序来决定两个柱塞向上移动能到达的最高位置,然后再向下移动至一个预定高度,控制器将两个活塞位置贮存在记忆中,完成初始化设定,泵I和泵Ⅱ就按设定参数操作。当驱动马达正向运转时,泵I流动相入口主动单向阀打开时,柱塞I向下移动,将流动相吸入泵I内,与此同时,泵Ⅱ柱塞Ⅱ向上移动,将流动相送入色谱系统。在完成由控制器设定的第一种柱塞运行冲程长度后,驱动马达停止,泵I入口主动单向阀门关闭,然后驱动马达反向运转,泵I流动相出口被动单向阀打开,此时柱塞I向上移动,泵Ⅱ柱塞Ⅱ向下移动,使泵I中流动相转移至泵Ⅱ,就完成控制器设定的第二种柱塞运行程序。重复进行上述过程,就使泵I吸入的流动相连续不断地进入泵Ⅱ,而泵Ⅱ每次仅排出压入流动相的一半,而实现以恒定流量连续向色谱系统输液。双杆塞往复式串联泵的主要特点是仅在泵I配有一单向阀,全部操作是用计算机进行控制的。

图15.3 柱塞式往复型泵工作原理图
图15.4 双柱塞往复式串联泵
1.偏心轮 2.柱塞 3.密封垫
1.贮液罐 2.泵Ⅰ(柱塞Ⅰ) 3.单向阀
4.流动相进口 5.单向阀
6.流动相出口
4.阻尼器 5.泵Ⅱ(柱塞Ⅱ) 6.至色谱柱
优点:可在高压下连续以恒定的流量输液;泵的液缸容积很小,其柱塞尺寸小易于密封;容易清洗及更换流动相、特别适用于梯度洗脱。
缺点:输出流动相虽然是连续的恒流量的,但存在脉冲波动,若与对流量敏感的折光指数检测器连接,就产生基线波动,难以进行准确的定量分析工作;柱塞式往复泵,柱塞直接与流动相接触造成污染(使用隔膜式往复泵可克服此缺点);长期运转后,因流动相含有的机械杂质会造成单向阀的阻塞,或因单向阀的阀球磨损而不能关闭单向阀。这些都会造成往复泵不能正常工作。
柱塞式往复泵在高效液相色谱仪中获得最广泛的应用,也是最重要的高压输液泵。
(2)恒压泵 恒压泵又称气动放大泵,是输出恒定压力的泵。
工作原理:当系统阻力不变时可保持恒定流量,当系统阻力发生变化时,输入压力虽然不变,但流量却随阻力而变。其气动放大泵的工作原理如图15.5所示。恒压泵是利用气体的压力去驱动和调节流动相的压力,通常采用压缩空气作为动力去驱动气缸中横截面积大的活塞5,再经过一个连杆去驱动液缸中横截面积小的活塞6。由于两个活塞面积有一定的比例(约50:1),则气缸压力p2传于液缸压力p1时,其压力也增加相应的倍数,而获得输出液的高压p1:
,
(15.1)
式中:A1活塞面积;A2大活塞面积。当
=50时,
。此高压可将液缸中的液体排出。
单液缸气动放大泵,每个输液冲程结束,气缸和液缸活塞即快速反向运行而重新吸液,结果几乎不中断流动相输出,但基线会有暂时的波动。若其具有双液缸,则可通过两个电磁阀定时切换气体压力,实现在一个液缸输液的同时,另一个液缸正在吸液,从而使流动相连续输出且不引起基线波动。使用气动放大泵时,输出流动相的流量不仅由泵的输出压力决定,还取决于流动相的粘度及色谱柱的压力降,因此在分析过程不能获得稳定的流量。

图15.5 气动放大泵
1.空气 2.连杆 3.输液 4.吸液 5.大活塞 6.小活塞
优点:能以比较简单的方式建立高压并输出无脉动的、稳定的流动相液流;可与折光指数检测器配合使用;可利用改变气源压力的方法来调节载液流速。
缺点:液缸体积大(约70mL),更换流动相不方便,如不使用两台泵无法实现梯度洗脱。不能输出恒定流量的流动相,不易测出重复的保留时间,不能获得可靠的定性结果。
在高效液相色谱仪发展初期,恒压泵使用较多,随往复式恒流泵的广泛使用,恒压泵现已基本不再使用。但在填充高效液相色谱柱时,使用的匀浆装柱机都配备气动放大泵,以快速建立所需的高压输出。
为了给色谱柱提供稳定、无脉动、流量准确的流动相,除具备高压输液泵外、还需配备管道过滤器和脉动阻尼器等辅助设备。
(1)管道过滤器 在高压输液泵的进口和它的出口与进样阀之间,应设置过滤器。高压输液泵的柱塞和进样阀阀芯的机械加工精密度非常高,微小的机械杂质进入流动相,会导致上述部件的损坏,同时机械杂质在接头的积累,会造成柱压升高,使色谱柱不能正常工作,因此管道过滤器的安装是十分必要的。
过滤器的滤芯是用不锈钢烧结材料制造的,孔径约2~3µm,耐有机溶剂的侵蚀。若发现过滤器堵塞(发生流量减小的现象),可将其浸入稀HNO3溶液中,在超声波清洗器中用超声波振荡10~15min,即可将堵塞的固体杂质洗出,若清洗后仍不能达到要求,则应更换滤芯。
(2)脉动阻尼器 往复式柱塞泵输出的压力脉动,会引起记录仪基线的波动,这种脉动可以通过在高压输液泵出口与色谱柱入口之间安装一个脉动阻尼器(或称缓冲器)来加以消除。图15.6为几种脉动阻尼器示意图。其中图15.6(a)为最简单、最常用的脉动阻尼器,它由一根外径约1.1~
在输液系统中还应配备由压力传感器组成的压力测量、显示装置及流动相流量的测量装置。

图15.6 脉动阻尼器
高效液相色谱洗脱技术有等强度(isocratic)和梯度(gradient)洗脱两种。等强度洗脱是在同一分析周期内流动相组成保持恒定不变,适合于组分数目较少、性质差别不大的样品。梯度洗脱是在一个分析周期内由程序来控制流动相的组成,如溶剂的极性、离子强度和pH值等。在分析组分数目多、性质相差较大的复杂样品时须采用梯度洗脱技术、使所有组分都在适宜条件下获得分离。梯度洗脱能缩短分析时间、提高分离度、提高柱效、改善峰形、提高检测灵敏度,但是常常引起基线漂移和降低重现性。
梯度洗脱的方法是使流动相中含有两种或两种以上不同极性的溶剂,在洗脱过程连续或间断改变流动相的组成,以调节它的极性,使每个流出的组分都有合适的容量因子k,并使样品中的所有组分在最短的分析时间内获得较好的分离效果。当样品中第一个组分的k值和最后一个峰的k值相差几十倍至上百倍时,使用梯度洗脱的效果就特别好。此技术相似于气相色谱中使用的程序升温技术,现已在高效液相色谱法中获得广泛的应用,有两种实现梯度洗脱的装置,即高压梯度装置和低压梯度装置。
(1)低压梯度(外梯度) 在常压下将两种溶剂(或多元溶剂)通过梯度比例阀按程序混合,然后再用高压输液泵送入到色谱柱中,其装置图15.7所示,此法的主要优点是仅需使用一个高压输液泵。
如对二元混合溶剂体系,操作时先将弱极性溶剂A,通过由微处理机控制的低压计量泵和时间比例电磁阀(6)直接流入混合器;强极性溶剂B,也通过低压计量泵,并由微处理机控制另一时间比例电磁阀(7)的开关时间,来调节流入混合器的B溶剂的体积百分数、以控制输出混合溶剂的组成。溶剂A和B在混合器内充分混合后,再用高压输液泵输至色谱柱。通过预先设定溶剂A、B时间比例电磁阀的开启时间,就可控制二元混合溶剂流动相的组成,并连续输出具有不同极性的流动相。此种梯度洗脱方式可以减小溶剂可压缩性的影响,并能完全消除由于溶剂混合引起的热力学体积变化所带来的误差。
(2)高压梯度(内梯度) 目前,大多数高效液相色谱仪均配有高压梯度装置,它是用两台高压输液泵分别将两种溶剂A、B输入混合室,进行混合后再送入色谱柱。两种溶剂进入混合室的比例可由溶剂程序控制器或计算机来调节。此类装置如图15.8所示,它的主要优点是两台高压输液泵的流量可独立控制,可获得任何形式的梯度程序,且易于实现自动化。
由于高压梯度装置中,每种溶剂是分别由泵输送的,进入混合器后,溶剂的可压缩性和溶剂混合时热力学体积的变化,可能影响输入到色谱柱中的流动相的组成。在梯度洗脱中为保证流速稳定必须使用恒流泵,否则很难获得重复性结果。

图15.7 低压梯度装置图
图15.8 高压梯度装置图
1.低压计量泵 2.微处理机 3.混合器
1.程序控制器 2.溶剂A 3.溶剂B 4.高压泵A
5.高压泵B
4.高压输液泵 5.至色谱柱 6、7.时间比例电磁阀
6.反馈控制器 7.混合室
8.流量计信号 9.混合溶剂出口
(3)梯度洗脱曲线 梯度洗脱时常用一个弱极性溶剂A和一个强极性溶剂B组合。以梯度洗脱时间作横坐标,以流动相中强极性组分B的体积百分含量作纵坐标,可绘出梯度曲线。若在单位时间内,强极性溶剂B在流动相中的体积百分含量以恒定的速率增加,则流动相的极性呈“线性梯度输出”,若不以恒定速度增加,流动相呈现凸形或凹形输出,如图15.9所示。
当梯度洗脱方式确定后。对应于不同梯度洗脱形状,获得的色谱分离图如图15.10所示。若呈线性梯度洗脱,如图15.10(b),谱图中每个谱带宽度相等,且各个谱带间具有相同的分离度。若呈“指数形式”的凸形洗脱,如图15.10(a),在分离开始时,B的体积百分含量迅速增加,使各组分谱带以较低的平均容量因子k值洗脱,并且最终谱带的k值也较低,使开始被洗脱的色谱峰形尖锐,且分离度减小;而在分离的后期,B的体积百分数增长减慢,使后被洗脱的色谱峰谱带加宽,分离度增大。若呈“指数形式”的凹形洗脱,则如图15.10(c)所看到的谱图变化与图15.10(a)恰好相反。即开始被洗脱的色谱峰谱带较宽,分离度较好,而后洗脱的色谱峰谱带较尖锐,分离度减小。

图15.9 梯度洗脱形状 图15.10 梯度洗脱的形状及对分离的影响
(4)影响梯度洗脱的因素 进行梯度洗脱时,选定溶剂A、B之后,设定梯度速度和梯度时间,确定梯度曲线形状,要以最经济的梯度洗脱程序,实现样品的最佳化分离。影响梯度洗脱的因素有:溶剂的纯度要高,否则会使梯度洗脱的重现性变坏;梯度混合的溶剂互溶性要好,应防止不互溶的溶剂进入色谱柱、应当注意溶剂的粘度和相对密度对混合流动相组成的影响;梯度洗脱应使用对流动相组成变化不敏感的选择性检测器(如紫外吸收检测器或荧光检测器),而不能使用对流动相组成变化敏感的通用型检测器(如折光指数检测器)。
进样装置是将分析样品引入色谱柱的装置,要求重复性好,死体积小,保证中心进样,进样时色谱柱压力、流量波动小,便于实现自动化等。高效液相色谱中的进样方式可分为隔膜进样、阀进样、自动进样器进样等。
用微量注射器针头穿过橡皮隔膜进样,这是最简便的一种进样方式。而且由于可以把样品直接送到柱头填充床的中心,死体积几乎等于零,所以往往可获得最好的柱效。但是由于这种进样方式不能在高压下使用(如10MPa以上),重复性较差(包括柱效和定量结果),加之能耐各种溶剂的橡皮材料不易找到,因而常规分析使用受到局限。
这是目前高效液相色谱普遍采用的一种进样方式。虽然由于阀接头和连接管死体积的存在,柱效率稍低于注射器隔膜进样,但因耐高压,重复性良好,操作方便,因而深受色谱工作者的欢迎。其中,图15.11所示的六通进样阀最为常用。此阀的阀体用不锈钢材料,旋转密封部分由坚硬的合金陶瓷材料制成,既耐磨、密封性能又好。当进样阀手柄置取样位置(a),用特制的平头注射器吸取比定量管体积(5µL或10µL)稍多的样品从注入口处进入定量管,多余的样品从出口排出。再将进样阀手柄置进样位置(b),流动相将样品携带进入色谱柱。此种进样直观性好,能耐20MPa的高压。

图15.11 六通阀进样示意图
(a)取样位置 (b)进样位置
自动进样器是由计算机自动控制定量阀,按预先编制注射样品的操作程序工作。操作者只需把装好样品的小瓶按一定次序放入样品架上,然后取样、进样、复位、样品管路清洗等全部按预定程序自动运行,一次可进行几十个或上百个样品的分析。自动进样的样品量可连续调节、进样重复性高,适合作大量样品分析,节省人力,可实现自动化操作。
色谱柱被称为高效液相色谱仪的“心脏”,因为色谱的核心问题—分离是在色谱柱中完成的,色谱柱的设计(包括柱型、结构、填料和装填方法)或称柱技术(Column technology)对现代液相色谱的发展起着关键性作用。为了适应不同的分离分析要求,色谱柱有不同的柱型,不同的柱材料及规格。
常用内壁经过精密加工抛光的不锈钢管作色谱柱的柱管以获得高柱效。不锈钢管耐溶剂、水和缓冲溶液的腐蚀,使用前柱管先用氯仿、甲醇、水依次清洗,再用50%的HNO3对柱内壁作钝化处理。钝化时使HNO3在柱管内至少滞留10min,以在内壁形成钝化的氧化物涂层。此外也有使用氟塑料、玻璃和玻璃衬里材料作色谱柱的,主要从抗腐蚀和易加工两方面来考虑。
一套完整的色谱柱,除柱管外,还应有柱头及配套的连接管。一般色谱柱是由柱管,末端接头,卡套(又称密封环)和过滤筛板等组成的。图15.12是目前较为流行的典型分析型高效液相色谱柱的结构。

图15.12 高效液相色谱柱结构示意图
—般采用直形柱管,标准填充柱柱管内径为
当使用粗内径短柱或细内径长柱时,应注意由于柱内体积减小,由柱外效应(是指色谱柱之外的造成色谱峰展宽的成因,主要由进样装置、检测池及它们与柱之间的连接管路所产生)引起的峰形扩展。此时应对进样器、检测器和连接接头作特殊设计以减少柱外死体积。
柱接头通过过滤片与色谱柱管连接,在色谱柱管的上下两端要安装过滤片,过滤片一般用多孔不锈钢烧结材料制成,此烧结片上的孔径小于填料颗粒直径,可阻挡流动相中的极小的机械杂质以保护色谱柱,但流动相可顺利通过。柱入口、出口的连接管的死体积愈小愈好,一般常用窄孔(内径
高效液相色谱在以下几种情况须精确控制柱温:在一些法定标准分析方法中,要求保留时间具有再现性;必须通过改变柱温来提高分离效率;对高分子化合物或粘度大的样品,分析时柱温必须高于室温;对一些具有生物活性的生物分子,要求分析时柱温应低于室温,防止活性成分失活;对某些组成复杂的样品,在单一色谱柱不能实现完全分离,需要使用二维色谱技术;利用柱切换,使两根色谱柱在不同柱温下操作,以实现多组分的完全分离。
一个理想的HPLC柱温控制系统可以实现从低于室温
检测器是高效液相色谱仪中的三大关键部件(高压输液泵、色谱柱、检测器)之一,主要用于监测经色谱柱分离后的组分浓度的变化,被称为色谱仪的“眼睛”,检测器的性能直接关系着定性定量分析结果的可靠性和准确性。一个理想的液相色谱检测器应具备以下特征:灵敏度高、对所有的溶质都有快速响应、响应对流动相流量和温度变化都不敏感、不引起柱外谱带扩展、线性范围宽、适用的范围广等,但没有一种检测器能完全具备这些特征。在高效液相色谱技术发展中,检测器至今仍是一个薄弱环节,它没有相当于气相色谱中使用的热导检测器和氢火焰离子化检测器那样既通用又灵敏的检测器。但近几年出现的蒸发光散射检测器(ELSD)有望成为高效液相色谱全新的、通用灵敏的质量检测器。
目前常用的检测器有紫外吸收检测器(UVD)、折光指数检测器(RID)、和荧光检测器(FD)。
高效液相色谱仪的检测器很多,分类方法也很多。
(1)按照用途分类,可分为通用型和选择性两类。属于通用型的有示差折光(有时也称为折射指数,RI)、火焰离子化、电容等。它对大多数物质的响应相差不大几乎适用于所有物质。但它的灵敏度低,受温度影响波动大,使用时有一定局限性。属于选择性检测器的有紫外吸收、荧光、化学发光、安培、光导、极谱等。它们对被检测物质的响应有特异性,而对流动相则没有响应或响应很小,因此灵敏度很高,受操作条件变化和外界环境影响很小,可用作梯度淋洗。
(2)按测量性质分类,可分为浓度型和质量型。前者与溶质在溶液中的浓度有关,是总体性质的检测器。紫外吸收、示差折光、荧光等属于此类。后者与待测物的质量有关,氢火焰、库仑、同位素及质谱中的总离子流等属于质量型。按测量原理又可分为光学检测器和电学检测器,此外还有利用热学原理检测的吸附热检测器。
UVD、RID、FD三种检测器皆属于非破坏性检测器,样品流出检测器后可进行馏分收集,并可与其它检测器串联使用。对荧光检测器因测定中加入荧光试剂会对样品产生污染,当串联性用时应将它放在最后检测。
紫外吸收检测器(u1traviolet absorption detector,UVD)是高效液相色谱仪中使用最广泛的一种检测器,几乎所有的高效液相色谱仪都配有紫外吸收检测器。它的灵敏度较高,线性范围宽,对流速和温度的变化不敏感,适用梯度洗脱,属于溶质性质的检测器,只能用于检测能吸收紫外光的物质,溶剂要选用无紫外吸收特性的物质。
(1)工作原理 紫外检测器是吸收光谱分析类型的仪器,无论是何种设计方法,其工
作原理都是基于朗伯-比耳定律。对于给定的检测池,在固定的波长下(ε为定值),紫外检测器应输出一个与样品浓度(c)成正比的光吸收信号—吸光度(A)。而检测器光电元件的输出信号与透过率成正比,所以为了定量计算方便,在仪器采用对数放大器,将透过率转换成吸光度,使仪器输出信号与样品浓度成直线关系。因此紫外检测器属于浓度敏感型检测器。
(2)仪器结构 紫外检测器的基本结构与一般紫外可见分光光度计是相同的,均包括
光源、分光系统、样品池和检测系统四大部分。随高效液相色谱法的发展,紫外检测器也发展为多种类型,用于满足不同分析任务及各种紫外吸收物质检测的需求。紫外检测器按波长来分,有固定波长和可变波长两类。固定波长检测器又有单波长式和多波长式两种;可变波长检测器可以按照对可见光的检测与否分为紫外-可见分光检测器和紫外分光检测器,按波长扫描的不同又有不自动扫描、自动扫描和多波长快速扫描等。其中属于多波长快速扫描的光电二极管阵列检测器具有很多优点,是高效液相色谱最有发展前途的检测器。
① 固定波长紫外吸收检测器(fixed wavelength UV detctor)
顾名思义,是指光源发射不连续可调,只选择固定的单一光源波长作为检测波长。这种检测器结构简单,价格便宜,应用范围较宽,购买的液相色谱仪均配套有该检测器。由低压汞灯提供固定波长λ=254nm(或λ=280nm)的紫外光,其结构如图15.15所示。由低压汞灯发出的紫外光经入射石英棱镜准直、再经遮光板分为一对平行光束分别进入流通池的测量臂和参比臂。经流通池吸收后的出射光,经过遮光板、出射石英棱镜及紫外滤光片,只让254nm的紫外光被双光电池接收。双光电池检测的光强度经对数放大器转化成吸光度后,经放大器输送至记录仪。

图15.15 紫外光度检测器光路图
为减少死体积,流通池的体积很小,仅为5~l0µL,光路约5~
② 可变波长紫外吸收检测器 是一种应用非常广泛的检测器,虽然固定波长检测器可以提供多种光源波长进行检测,但可变波长检测器的波长选择是任意可调的,因此与固定波长检测器相比,有以下优点:可以选择样品的最大吸收波长作为检测波长,提高检测灵敏度;可以选择样品有强吸收而干扰无吸收的波长进行分析,提高分析的选择性;可以选择在梯度洗脱时,流动相改变,而其吸光度不变的波长下进行检测,有利于梯度洗脱。
可变波长紫外吸收检测器,由于可选择的波长范围很大,既提高了检测器的选择性,又可选用组分的最灵敏吸收波长进行测定,从而提高了检测的灵敏度。它还有停流扫描功能,可绘出组分的光吸收谱图,以进行吸收波长的选择。
③ 光电二极管阵列检测器

图15.16 可变波长紫外吸收检测器光学系统图
1.氘灯 2.透镜 3.滤光片 4.狭缝 5.反射镜 6.光栅
7.分束器 8.参比光电二极管 9.流通池 10.样品光电二极管
光电二极管阵列检测器,又称光电二极管列阵检测器或光电二极管矩阵检测器,表示为PDA(photo-diode array)、PDAD(photo-diode array detector)或DAD(diode array detector)。此外,还有的商家称之为多通道快速紫外-可见光检测器(multichannel rapid scanning UV-VIS detector),三维检测器(three dimensional detector)等。光电二极管阵列检测器目前已在高效液相色谱分析中大量使用,一般认为是液相色谱最有发展、最好的检测器(见图15.17)。

图15.17 二极管阵列检测器光路示意图
光学多通道检测技术不仅仅可以采用光电二极管阵列作为光电检测元件。硅光导摄像管是首先被应用到液相色谱阵列检测器的光电检测元件,但由于紫外响应弱,成本比光电二极管阵列高,响应慢等缺点而较少应用。电荷耦合阵列检测器(charge-coupied device array detector,CCD检测器)具有很多优异的性能,如光谱范围宽、量子效率高、暗电流小、噪声低、线性范围宽等。但CCD检测器的紫外响应弱,信号收率低,有碍它的进一步发展。其它的光电检测元件同样具有以上这些缺点,因此光电二极管成为目前最主要、最常用的光学多通道检测技术的光电检测元件。
折光指数检测器(refractive index detector,RID)又称示差折光检测器(DRD),是1942年由Tiselius和Claesson首次提出的,是最早的在线液相色谱检测器之一和最早的液相色谱商品检测器。它是通过连续监测参比池和测量池中溶液的折射率之差来测定试样浓度的检测器。由于每种物质都具有与其他物质不相同的折射率,因而RID是一种通用型检测器。
溶液的折射率等于溶剂及其中所含各组分溶质的折射率与其各自的摩尔分数的乘积之和。当样品浓度低时,由样品在流动相中流经测量池时的折射率与纯流动相流经参比池时的折射率之差,指示出样品在流动相中的浓度。此类检测器一般不能于梯度洗脱,因为它对流动相组成的任何变化都有明显的响应,会干扰被测样品的监测。
示差折光检测器一般可按检测原理可分为反射式和偏转式两类。它们的共同特点是检测器响应信号反映了样品流通池和参比池之间的折射率之差。图15.18是偏转式示差折光检测器的光路图。

图15.18 偏转式示差折光检测器的光路图
荧光检测器(fluorescence
detector,FD)是利用某些溶质在受紫外光激发后,能发射可见光(荧光)的性质来进行检测的。它是一种具有高灵敏度和高选择性的检测器,对不产生荧光的物质,可使其与荧光试剂反应,制成可发生荧光的衍生物再进行测定。
根据化合物发生荧光的条件和对化合物荧光强度检测的要求,荧光检测器包括以下基本部件:激发光源;选择激发波长用的单色器;流通池;选择发射波长用的单色器及用于检测发光强度的光电检测器。由光源发出的光,经激发光单色器后,得到所需要的激发光波长。激发光通过样品流通池,一部分光线被荧光物质吸收,荧光物质激发后,向四面八方发射荧光。为了消除入射光与散射光的影响,一般取与激发光成直角的方向测量荧光(直角光路)。荧光至发射光单色器分光后,单一波长的发射光由光电检测器接收。
荧光检测器的灵敏度比紫外吸收检测器高100倍,可用于梯度洗脱,当要对痕量组分进行选择性检测时,它是一种有力的检测工具。但它的线性范围较窄,不宜作为一般的检测器来使用。测定中不能使用可熄灭、抑制或吸收荧光的溶剂作流动相。对不能直接产生荧光的物质,要使用色谱柱后衍生技术,操作比较复杂。此检测器现已在生物化工、临床医学检验、食品检验、环境监测中获得广泛的应用。
在高效液相色谱分析中,人们一直希望能有一台像FID那样的通用型质量检测器,它能对各种物质均有响应,且响应因子基本一致,它的检测不依赖于样品分子中的官能团,且可用于梯度洗脱。目前最能接近满足这些要求的就是蒸发光散射检测器(Evaporative Light scattering Detector,ELSD)。
图15.19为蒸发光散射检测器工作原理示意图。色谱柱后流出物在通向检测器途中,被高速载气(N2)喷成雾状液滴。在受温度控制的蒸发漂移管中,流动相不断蒸发,溶质形成不挥发的微小颗粒,被载气载带通过检测系统。检测系统由一个激光光源和一个光电倍增管构成。在散射室中,光被散射的程度取决于散射室中溶质颗粒的大小和数量。粒子的数量取决于流动相的性质及喷雾气体和流动相的流速。当流动相和喷雾气体的流速恒定时,散射光的强度仅取决于溶质的浓度。此检测器可用于梯度洗脱,且响应值仅与光束中溶质颗粒的大小和数量有关,而与溶质的化学组成无关。

图15.19 蒸发光散射检测器示意图
蒸发光散射检测器与RID和UVD相比,它消除了溶剂的干扰和因温度变化引起的基线漂移,即使用梯度洗脱也不会产生基线漂移。它还具有喷雾器、漂移管易于清洗、死体积小、灵敏度高、喷雾气体消耗少等优点。此种检测器在今后将会逐渐获得广泛应用。
如果所进行的色谱分离不是为了纯粹的色谱分析,而是为了做其他波谱鉴定,或获取少量试验样品的小型制备,馏分收集是必要的。用小试管收集,手工操作只适合于少数几个馏分,手续麻烦,易出差错。馏分收集器比较理想,因为便于用微处理机控制,按预先规定好的程序,或按时间,或按色谱峰的起落信号逐一收集和重复多次收集。
现代高效液相色谱仪多用微处理机控制,这通常是一台专用的计算机,其功能有二,一是作为数据处理机,例如输入定量校正因子,按预先选定的定量方法(归一化、内标法和外标法等),将面积积分数换算成实际的成分分析结果,或者给出某些色谱参数;二是作为控制机,控制整个仪器的运转,例如按预先编好的程序控制冲洗剂的选择、梯度淋洗、流速、柱温、检测波长、进样和数据处理。所有指令和数据通过键盘输入,结果在阴极射线管或绘图打印机上显示出来。更新一代的色谱仪,应当具有某些人工智能的特点,即能根据已有的规律自动选择操作条件,根据规律和已知的数据、信息,进行判断,给出定性定量结果。
15.3 高效液相色谱的固定相和流动相
高效液相色谱采用小颗粒、高效能的固定相,从而克服了经典液相色谱中传质慢、柱效低的缺点。目前,高效液相色谱采用的固定相可分为以下几类。
微粒硅胶(无机材料)、高分子微球(有机材料)和微粒多孔碳(有机/无机材料)是几种主要的类型。3~10µm微粒硅胶和以此为基质的各种化学键合固定相是目前高效液相色谱填料中占统治地位的化学类型。这是由于硅胶具有良好的机械强度,容易控制的孔结构和表面积,较好的化学稳定性和表面化学反应专一等优点。硅胶基质固定相的一个主要缺点是只能在pH=2~7.5范围的流动相条件下使用。碱度过大,特别是当有季铵离子存在下,硅胶易于破碎溶解。酸度过大,连结有机基团的化学键容易断裂。
高分子微球是另一类重要的液相色谱填料,大部分的基体化学组成是苯乙烯和二乙烯基苯的共聚物(PS-DVB),也有聚乙烯醚,聚酯类型的。高分子填料的主要优点是能耐较宽的pH范围例如pH=1~14,化学惰性好。一般说来柱效率比硅胶基质的低得多,往往还需要升温操作,不同溶剂收缩率不同,主要用于离子交换色谱,凝胶渗透色谱等。
微粒多孔碳填料是由聚四氟乙烯还原或石墨化碳黑制成的,优点在于完全非极性的均匀表面,是一种天然的“反相”填料,可以在pH>8.5的条件下使用。其缺点是机械强度较差,对强保留溶质柱效较低,有待进一步改进。其他一些填料,例如氧化铝,耐高pH条件的能力比一般硅胶好,但硅烷化后不稳定;硅藻土、磷酸锆键合相等也有少量使用。
可分为薄壳型和多孔微粒型两种。薄壳型填料是20世纪60年代中期出现的一种填料,40µm左右的玻璃球表向上覆盖一层1~2µm厚的硅胶层,形成许多向外开放的孔隙。这样孔浅了,传质就快了,柱效得以提高(和经典液相色谱相比)。但柱负荷太小,所以很快就被5~10µm全孔硅胶所代替。现在只用于预净化或预浓缩柱上,或作某些简单的混合物分离。另外,还有在玻璃球表面涂聚酰胺和离子交换膜的。
多孔微粒型如全孔微粒硅胶孔径一般为6~10nm,比表面积为300~
在液相色谱中,流动相又称为洗脱剂。它有两个作用,一是携带样品前进,二是给样品提供一个分配相,进而调节选择性,以达到混合物的满意分离。流动相对样品的分离有巨大的影响。在高效液相色谱中流动相通常是一些有机溶剂,水溶液和缓冲溶液等。
对流动相溶剂的选择应考虑分离、检测、输液系统的承受能力及色谱分离的目的等各方面因素。一般适合于做液相色谱流动相的溶剂粘度应小于2 mPa·s。粘度大了,一方面液相传质慢,柱效低;另一方面柱压降增加,流动相粘度增加一倍,柱压降也相应增加一倍,过高的柱压降给设备和操作都会带来麻烦。
一般流动相的选择要满足以下条件:
(1)与检测器相适应 紫外检测器是高效液相色谱中使用最广泛的一类检测器,因此,流动相应当在所使用波长下没有吸收或吸收很小。当用示差折光检测器时,应当选择折光指数与样品差别较大的溶剂做流动相,以提高灵敏度。
(2)与色谱系统相适应 在吸附色谱中吸附剂往往不是酸性的就是碱性的,应当注意所选流动相和固定相之间没有不可逆的化学吸附;例如在氨基键合相柱上就应避免使用含羰基(如丙酮)的流动相,否则分子间较强的作用会使固定相变质,甚至失效。仪器的输液部分大多是不锈钢材质,最好使用不含氯离子的流动相。当使用多孔镍过滤板时,应该避免使用较大酸度的流动相。
(3)溶剂的纯度 不能认为液相色谱流动相应当使用十分纯的溶剂,关键是要能够满足检测器(如紫外吸收)的要求和使用不同瓶(或批次)溶剂时能否获得重复的色谱保留值数据。事实上,溶剂中的某些杂质是不可避免的。例如几乎所有溶剂中都含有0.005~0.200%的水(这对于吸附色谱要特别引起注意);四氢呋喃中含有少量能吸收紫外光的抗氧化剂;醚类易形成过氧化物;氯仿中含有1%左右的乙醇做稳定剂,氯代烃溶剂常含有HCl和氯化产物等等。这些问题可以采用相应的措施加以控制。使用一般溶剂做流动相时,至少应当选择分析纯试剂。此外,溶剂的毒性和可压缩性,也是在选择时考虑的因素。
溶质和溶剂分子之间的相互作用可以归纳为下述四个可能的机理。
(1)色散力即瞬间偶极矩导致分子间的相互作用;
(2)偶极作用指永久或诱导偶极分子间的相互作用;
(3)氢键作用指质子(或氢键)接受体和质子(或氢键)给予体之间的相互作用,一般来讲这种作用是比较强的;
(4)介电作用指溶质分子与一个有较大介电常数的溶剂分子(如H2O,醇类)之间的静电作用。
这四种力使溶质和溶剂分子之间出现了共作用,共作用程度就称为溶剂的“极性”。人们常说的“极性的”溶剂容易吸引和溶解“极性的”溶质,就是说溶剂的强度直接与溶剂的极性相关。在正相分配或吸附色谱中,“溶剂强度”与溶剂的“极性”呈正比;但在反相色谱中,两者呈反比。一般各类有机化合物的极性(或在液固色谱中的溶剂强度)有如下次序:
氟代烷<烷(烯)烃<卤代烃<醚<酯<酮、醛<醇<胺<酸
15.4液-固吸附色谱法
高效液相色谱法的类型按组分在两相间分离机理的不同主要分为:液-固吸附色谱法,液-液分配色谱法,化学键合相色谱法,离子交换色谱法和凝胶色谱法等。首先介绍液-固吸附色谱法。
液-固吸附色谱法简称液-固色谱法(liquid-solid chromatography,LSC),它是最古老,也是最基本的一种色谱法。首次是1906年俄国植物学家茨维特(M.Tswett)在他经典的实验中分离植物色素而创立,这种技术常常称为吸附色谱法,吸附剂是一种高表面积的活性固体,如硅胶、氧化铝、碳酸钙、活性炭等。尤其是硅胶应用最为广泛。在高效液相色谱中,使用特制的全多孔微粒硅胶,除可以直接用于液-固色谱的固定相外,还可以用作液-液色谱和键合相色谱的载体。
液-固色谱法对具有中等分子量的脂溶性样品(如油品、脂肪、芳烃等)可获得最佳的分离。而对强极性或离子型样品,因有时会发生不可逆吸附,常不能获得满意的分离效果。液-固色谱法对具有不同极性取代基的化合物或异构体混合物表现出较高的选择性,对同系物的分离能力较差。凡能用薄层色谱法成功分离的化合物,都可用液-固色谱法进行分离。
液-固色谱法的主要优点是柱填料价格便宜,对样品的负载量大,在pH=3~8范围内固定相的稳定性较好。这些优点使得液固色谱法至今仍是大多数制备色谱分离中优先选用的方法。
液-固色谱法是根据物质吸附作用的不同来进行分离的。其作用机制是:样品分子(X)被流动相带入柱内时,与流动相溶剂分子(R)在吸附剂表面活性中心发生竞争性吸附。其过程可表示为:
(15.7)
式中,Xm,Xs分别为流动相和吸附剂上的样品分子,Rs,Rm分别为被吸附在固定相和流动相中的溶剂分子,n为被吸附的溶剂分子数。当竞争吸附达到平衡时有:
(15.8)
式中K为吸附平衡常数。K值大的强极性组分易被吸附,保留值大,难于洗脱,K值小的弱极性组分难被吸附,保留值小,易于洗脱。
液-固色谱固定相可分为极性和非极性两大类。极性固定相主要为硅胶(酸性)、氧化铝、硅酸镁分子筛(碱性)等。非极性固定相为高强度多孔微粒活性炭,近来开始使用的5~10µm的多孔石墨化炭黑以及高交联度苯乙烯-二乙烯基苯共聚物的单分散多孔微粒(5~10um)和碳多孔小球(TDX)。
至今在液-固色谱中最广泛应用的是极性固定相硅胶。在早期经典液相柱色谱中,通常使用粒径在100µm以上的无定形硅胶颗粒,其传质速度慢、柱效低。20世纪60年代在高效液相色谱发展的初期,出现了薄壳型硅胶固定相,它是在直径约3~40µm的玻璃珠表面涂布一层1~2µm的硅胶层而制成的具有孔径均一、渗透性好、溶质扩散快的新型固定相,使液相色谱实现了高效、快速分离。但由于薄壳型固定相对样品的负载量低(<0.1mg·g-1),70年代后迅速发展了全多孔微粒(5~10um)固定相。由于它们的粒度均匀、孔径均匀,装填在5~
(1)粒度(dp)表示固定相基体颗粒的大小。对球形颗粒是用粒子直径(简称粒径,用dp表示)来量度的,对无定形颗粒系指它的最大长度。基体颗粒的大小可用标准筛来筛分。
(2)比表面积(SP)为每克多孔性基体所有内表面积和外表面积的总和,单位为m2·g-1。
(3)孔容(Vp)为每克多孔基体所有孔洞的总体积,单位为cm3 ·g-1或mL·g-1。
(4)孔度(孔率ɛ)为多孔基体所有孔的体积在其总体积中占有的分数,它反映了基体的分离容量的大小。
(5)平均孔径(
)为多孔基体中所有空洞的平均直径。对于多孔基体,所含不同孔洞的孔径分布呈正态分布曲线,平均孔径应位于孔径分布曲线的中间位置。
(1)极性固定相 在极性吸附剂中,硅胶和硅酸镁为酸性吸附剂(表面pH=5)、氧化铝和氧化镁为碱性吸附剂(表面pH=10~12)。最常用的硅胶吸附剂,其含水量对色谱分离性能有很大的影响。对于未经加热处理的硅胶,其表面游离型硅羟基皆被水分子覆盖,不呈现吸附活性。当将其在150~
购置的商品硅胶吸附剂、表面皆为氢键型硅羟基,表现出很强的吸附活性,反而会引起化学吸附,造成色谱峰峰形拖尾,并延长吸附柱的再生时间。为消除此种不良影响,常向硅胶柱中加入少量极性改性剂,如在流动相中加入适量水,就可钝化最强的吸附活性中心,使其由氢键型硅羟基转化成对样品有适当吸附作用的游离型硅羟基。通常使每
(2)非极性固定相 在非极性吸附剂中,高交联度(>40%)苯乙烯-二乙烯基苯共聚微球应用较广泛,另外用聚合物涂渍或包覆硅胶、氧化铝、氧化锆的新型非极性疏水固定相近年来获得快速发展。如在硅胶表面涂渍聚乙烯、氧化铝表面涂渍聚丁二烯等。这类固定相表现出既提高选择性,又增加了化学稳定性。在气相色谱中使用的石墨化炭黑和炭多孔小球,在液固色谱法中的应用中也开始探索,并受到愈来愈多的关注。
在高效液相色谱分析中,除了固定相对样品的分离起主要作用外,流动相的恰当选择对改善分离效果也产生重要的辅助效应。在液-固色谱法中,当某溶质在极性吸附剂硅胶色谱柱上进行分离时,变更不同洗脱强度的溶剂作流动相时,此溶质的容量因子k也会不同。在液固色谱法中,若使用硅胶、氧化铝等极性固定相,应以弱极性的戊烷、己烷、庚烷作流动相的主体,再适当加入二氯甲烷、氯仿、乙醚、异丙醚、乙酸乙酯、甲基叔丁基醚等中等极性溶剂,或四氢呋喃、乙腈、异丙醇、甲醇、水等极性溶剂作为改性剂,以调节流动相的洗脱强度,实现样品中不同组分的良好分离。若使用苯乙烯二乙烯基苯共聚物微球、石墨化炭黑微球等非极性固定相,应以水、甲醇、乙醇作为流动相的主体,可加入乙腈、四氢呋喃等改性剂,以调节流动相的洗脱强度。
总之液-固吸附色谱法选择流动相的原则是:极性大的试样需用极性强的洗脱剂,极性弱的试样宜用极性较弱的洗脱剂。常用溶剂的极性顺序由大到小排列如下:水(极性最大)、甲酰胺、乙腈、甲醇、乙醇、丙酮、四氢呋喃、丁酮、正丁醇、乙酸乙酯、乙醚、二氯甲烷、氯仿、溴乙烷、苯、甲苯、四氯化碳、二硫化碳、环己烷、己烷、庚烷、煤油(极性最小)。
在液-固色谱法中,使用混合溶剂可获得最佳的分离选择性。此时,若混合溶剂中强极性溶剂的含量占绝对优势或含量很低,其分离因子α呈现最大值。此外若使用具有氢键效应的溶剂,如正丙胺、三乙胺、乙醚、异丙醚、甲醇、二氯甲烷、氯仿等作改性剂,则可显著改善色谱分离的选择性。使用混合溶剂的另一个优点是可使流动相保持低的粘度,并可保持高的柱效。如使用强极性乙二醇作改性剂。它的粘度高达16.5mPa·s,大大超过高效液相色谱允许使用的粘度范围,但实际使用时,仅需将1%~2%的乙二醇加到弱极性溶剂中,就可获得洗脱强度高的混合溶剂,其粘度却符合高效液相色谱分析的要求。
15.5 液-液分配色谱法
液-液分配色谱法简称液-液色谱法(liquid-liquid
chromatography,LLC)。其流动相和固定相都是液体,又称分配色谱法,是在20世纪40年代由马丁(Martin
A.J.P.)和欣格(Synge
L.M.)提出的,是根据物质在两种互不相溶(或部分互溶)的液体中溶解度的不同而实现分离的方法。这一技术类似于溶剂萃取,实际上也可用溶剂萃取数据来预测LLC的分配系数。但LLC的分辨能力和速度则要大得多,因为当样品组分通过柱子时,就相当于多次分配作用。
在液-液色谱中当试样进入色谱柱,溶质在两相间进行分配。达到平衡时,可由下式表示:
(15.9)
式中K是分配系数,cs和cm分别为溶质在固定相和流动相中的浓度,Vs和Vm分别代表固定相和流动相的体积。注意k与Vs成正比;增大固定液在载体上的涂敷量,样品的保留值也随之增大。
根据固定相和流动相的相对极性而将这一技术分为两类。当固定相是极性而流动相是非极性时,称为正相LLC。溶质的洗脱顺序与LSC中在硅胶上所观察到的相似。非极性的溶质优先分配于流动相(cm高),呈现低的容量因子,并首先流出。极性溶质倾向于分配在极性固定相(cs高),呈现较高的容量因子,在后面流出。当固定相为非极性而流动相为极性时,即称为反相色谱法。溶质的洗脱顺序虽不一定,但却常常同正相LLC中观察到的相反,即极性化合物首先流出,非极性的在后面流出。
液-液色谱的固定相由载体和固定液组成。在高效液相色谱里,使用着两类不同的载体。一种为全多孔型材料(如硅胶、氧化铝),具有较大的比表面积和高的孔容。另一种为多孔层微珠(PLB),是在固体的核心上涂渍一薄层多孔活性涂层。多孔层的厚度通常为1~3µm。除涂渍硅胶和氧化铝以外,也可以涂渍离子交换树脂、聚酰胺等。这些材料都是耐压的。
理论上液-液色谱可供选择的固定液品种很多,但许多固定液能被常用溶剂溶解,只有不被流动相溶解或溶解度很小的固定液才有实用价值。因此只有少数固定液能用于液-液色谱,能作为固定液的首要条件是不溶于流动相。固定液一般是极性较高的醇,流动相是非极性的烃类,亦可加入少量卤代烷、四氢呋喃等构成正相色谱体系。
分配色谱法所用的流动相的极性必须和固定相显著不同,否则会造成固定液的流失。在正相液-液分配色谱中,使用的流动相相似于液-固色谱法中使用极性吸附剂时应用的流动相。此时流动相主体为己烷、庚烷,可加入<20%的极性改性剂,如二氯甲烷、四氢呋喃、氯仿、乙酸乙酯、乙醇、甲醇、乙腈等,这样溶质的容量因子k会随改性剂的加入而减小,表明混合溶剂的洗脱强度明显增强。
在反相液-液分配色谱中,使用的流动相相似于液-固色谱法中使用非极性吸附剂时应用的流动相。此时流动相的主体为水,加入<10%的改性剂,如:二甲基亚砜、乙二醇、乙腈、甲醇、丙酮、对二氧六环、乙醇、四氢呋喃、异丙醇等。溶质在混合溶剂流动相中的容量因子k会随改性剂的加入而减小,表明混合溶剂的洗脱强度增强。
15.6 化学键合相色谱
化学键合相色谱法(chemically bonded phase chromatography,CBPC)是在液-液分配色谱法基础上发展起来的。分配色谱法虽有较好的分离效果,但由于固定液是以机械的方法吸附在载体表面上,固定液流失严重,以致柱的使用寿命短,使柱效和分离选择性下降。流失的固定液会给基线带来大的噪声而降低检测器的灵敏度,同时也会污染分离后的组分。为了解决这一问题,人们将各种不同的有机基团通过化学反应的方法以共价键连接到色谱载体表面上,形成均一的、牢固的单分子薄层而制成化学键合固定相,进而发展成键合相色谱法。化学键合固定相对各种极性溶剂都有良好的化学稳定性和热稳定性。由它制备的色谱柱柱效高、使用寿命长、重现性好,几乎对各种类型的有机化合物都呈现良好的选择性,特别适用于具有宽范围k值的样品的分离,并可用于梯度洗脱操作。至今键合相色谱法已逐渐取代液-液分配色谱法,并获得日益广泛的应用,在高效液相色谱法中占有极重要的地位。
根据键合固定相与流动相相对极性的强弱,可将键合相色谱法分为正相键合相色谱法和反相键合相色谱法。在正相键合相色谱法中,键合固定相的极性大于流动相的极性,适用于分离脂溶性或水溶性的极性和强极性化合物。在反相键合相色谱法中,键合固定相的极性小于流动相的极性,适于分离非极性、极性或离子型化合物,其应用范围比正相键合相色谱法更广泛。键合相已成为高效液相的一个重要组成部分,约70%~80%的分离和分析工作是由反相键合相色谱法来完成的,键合相的研制成功和应用被认为是高效液相色谱发展的一个里程碑。
键合相的基体目前主要用多孔微粒硅胶,根据在硅胶表面 (具有≡Si-OH基团)的化学反应不同,键合固定相可分为:硅氧碳键型 (≡Si-O-C )、硅氧硅碳键型(≡Si-O-Si-C) 、硅碳键型(≡Si-C)和硅氮键型(≡Si-N)四种类型。化学键合固定相具有如下一些特点:表面没有液坑,比一般液体固定相传质快得多;无固定液流失,增加了色谱柱的稳定性和寿命;可以键合不同官能团,能灵活地改变选择性,应用于多种色谱类型及样品的分析,例如键合氰基、氨基等极性基团用于正相色谱法,键合离子交换基团用于离子色谱法,键合 C2、C4、C6、C8、C16、C18、C22 烷基和苯基等非极性基团用于反相色谱法等;有利于梯度洗脱,也有利于配用灵敏的检测器和馏分的收集。因此,它是 HPLC 较为理想的固定相。
正相键合相色谱法的分离原理为,它使用的是极性键合固定相。它是将全多孔(或薄壳)微粒硅胶载体,经酸活化处理制成表面含有大量硅羟基的载体后,再与含有胺基(NH2)、腈基(-CN)、醚基(-O-)的硅烷化试剂反应,生成表面具有胺基、腈基、醚基的极性固定相。溶质在此类固定相上的分离机理属于分配色谱:
⇌
(15.10)
式中,
为胺基键合相,M为溶剂分子,x为溶质分子,
为溶剂化后的胺基键合固定相,
为溶剂化后的溶质分子,
表示平衡常数。
反相键合相色谱法的分离原理为,它使用的是非极性键合固定相。它是将全多孔(或薄壳)微粒硅胶载体,经酸活化处理后与含烷基链(C4、C8、C18)或苯基的硅烷化试剂反应,生成表面具有烷基(或苯基)的非极性固定相。
关于反相键合相的分离机理目前有两种论点,一种认为属于分配色谱,另一种认为属于吸附色谱。分配色谱的作用机制是假设在由水和有机溶剂组成的混合溶剂流动相中,极性弱的有机溶剂分子中的烷基官能团会被吸附在非极性固定相表面的烷基基团上,而溶质分子在流动相中被溶剂化,并与吸附在固定相表面上的弱极性溶剂分子进行置换,从而构成溶质在固定相和流动相中的分配平衡。吸附色谱的作用机制认为溶质在固定相上的保留是疏溶剂作用的结果。根据疏溶剂理论,当溶质分子进入极性流动相后,即占据流动相中相应的空间而排挤一部分溶剂分子;当溶质分子被流动相推动与固定相接触时,溶质分子的非极性部分(或非极性分子)会将非极性固定相上附着的溶剂膜排挤开,而直接与非极性固定相上的烷基官能闭相结合(吸附)形成缔合络合物,构成单分子吸附层。这种疏溶剂的斥力作用是可逆的,当流动相极性减少时,这种疏溶剂斥力下降,会发生解缔,并将溶质分子释放而被洗脱下来。
在化学键合固定相的制备中广泛使用全多孔或薄壳型微粒硅胶作为基体。这是由于硅胶具有机械强度好、表面硅羟基反应活性高、表面积和孔结构易于控制的特点。在键合反应前,为增加硅胶表面参与键合反应的硅羟基数量来增大键合量,通常用2mol·L-1盐酸溶液浸渍硅胶过夜,使其表面充分活化并除去表面含有的金属杂质。据计算经活化处理的硅胶,每平方米约有
8μmol的硅羟基,但由于位阻效应的存在,在每平方米硅胶表面最多只有4.5μmol的硅羟基参加与其他官能团的键合反应,剩余的硅羟基被已键合上的官能团所屏蔽,形成所谓“刷子”结构。
根据键合有机分子的结构,用于制备键合固定相的化学反应可分为下列四种类型。
(1)
(硅胶与醇类的反应产物)
![]()
这类是首先用来制备键合相的化学反应,利用硅胶的酸性特性,使硅胶表面的硅羟基与正辛醇、聚乙二醇400等醇类进行酯化反应的产物。此时,在硅胶表面形成单分子层的硅酸酯。此类固定相有良好的传质特性和高柱效,但其易水解、醇解、热稳定性差,当用水或醇作流动相时,Si-O-C键易断裂,一般只能使用极性弱的有机溶剂作流动相,用于分离极性化合物。这些使它的应用范围受到限制。
(2)
(硅胶与胺类的反应产物)
![]()
![]()
这种键合相的热稳定性和化学稳定性均比酯化型要好,适于在pH=4~8
的介质中使用。
(3)
(硅胶与卤代烷的反应产物)
从氯化硅胶(反应B)开始,利用格氏试剂反应引入烷基。
![]()
从理论上讲,这种键合结构有更好的稳定性,特别是对微碱性的流动相,而且R基可以按要求多次氯化,形成聚烷基键合相,但制备比较困难。
(4)
(硅胶与有机硅烷的反应产物)
这是一类目前占绝对优势的键合相类型,具有良好的热和化学稳定性,能在pH=2~7.5的介质中使用。它是利用氯硅烷或烷氧基硅烷与硅胶的反应生成此类键合固定相。这也是制备化学键合固定相的最主要方法。

式中,X代表-Cl、-OCH3、-OC2H5等官能团;R1,R2可以是X,也可以是甲基。硅烷可以是单官能团或双、三官能团反应分子。
在键合相色谱中使用的流动相和液-固色谱、液-液色谱使用的流动相有相似之处。在正相键合相色谱中,采用和正相液液色谱相似的流动相,在反相键合相色谱中,采用和反相液液色谱相似的流动相。常用流动相有:甲醇-水、乙腈-水、水和无机盐的缓冲溶液等。
正相化学键合相色谱适合分离异构体、极性不同的化合物,特别适合分离不同类型的化合物。如脂溶性维生素、甾族、芳香醇、芳香胺、脂、有机氯农药等。反相键合相色谱法应用最广泛,因为它以水为主体溶剂,在水中可以加入各种添加剂,改变流动相的离子强度、pH 值和极性等,以提高选择性,而且流动相的紫外截止波长低(水为195nm、甲醇为205nm、乙腈为190nm),有利痕量组分的检测,反相键合相稳定性好,不易被强极性组分污染,且水廉价易得,安全。更换溶剂和梯度洗脱非常方便。一般来说,反向键合相色谱法适用于分离极性较小的样品,例如可以分离同系物、复杂的稠环芳烃以及其他亲脂性化合物,也用于药物、激素、天然产物及农药残留量等测定。
15.7 离子交换色谱法
20世纪40年代初,离子交换色谱作为一种分离技术用于分离稀土元素和裂变产物,对原子能工业的发展起了重要的作用。近年来随着高效液相色谱的飞速发展和各种新型离子交换材料的出现,高效离子交换色谱获得了很大的发展。目前普遍采用新型离子交换剂,分离效率得到提高,应用范围扩大,一般可应用于离子化合物、能与离子基团相互作用的化合物(如螯合物和配位体)的分离。离子交换色谱解决了生化领域中许多重要而又复杂的分离分析问题,例如氨基酸、核酸的分离。一般说来,凡是能在流动相中离解的组分都可以用离子交换色谱法进行分离。离子交换色谱已在化工、医药、生化、食品等领域得到广泛的使用。
离子交换色谱(ion exchange chromatography,IEC)的固定相是离子交换剂(树脂),样品离子和离子交换树脂上带固定电荷的活性交换基团之间发生离子交换,不同样品离子对树脂的亲和力不同,相互作用力不同,作用力弱的在树脂上不易保留,首先被洗脱下来,而作用力强的则较长时间保留在树脂上,较晚洗脱下来,这样即可获得分离。离子交换树脂上所带电荷既可以是正电荷(阳离子交换树脂),又可以是负电荷(阴离子交换剂)。阳离子交换剂,多数带有磺酸基团,有时也有带羧基的,而阴离子交换剂,带有叔氨基或季铵基团。在这两种树脂上进行离子交换的过程分别为:
阳离子交换:R-Y+ + X+ =
Y+ + R-X+
(15.11)
阴离子交换:R+Y- + X- = Y- + R+X- (15.12)
式中:式中X为待分离的组分离子;Y为流动相离子(也称为反离子);R为离子交换树脂上带电离子部分。
如方程式(15.12)所示,在阴离子交换色谱中,样品离子X-与流动相离子Y-争夺离子交换剂上活性交换基因R+的位置。同样在阳离子交换色谱中,如方程式(15.11)所示,样品阳离子X+与流动相阳离子Y+争夺在离子交换剂上活性交换基团R-的位置。
离子交换剂的种类很多,大部分为有机物,如各种类型的合成树脂,也可以是无机物,如矿物质等。它们既可以是人工合成的,也可以是天然的,例如各种改性的纤维素、葡聚糖,琼脂糖的衍生物等。
通常用聚苯乙烯和二乙烯基苯进行交联共聚生成不溶的聚合物基质,再对芳环进行磺化生成强酸性阳离子交换剂;或对芳环进行季胺盐化,生成带有烷基胺官能团的强碱性阴离子交换剂。离子交换剂上的活性离子交换基团决定着它们的性质和功能,除了上述两种离子交换基团外,目前已合成出了许多带不同强度和功能官能团的离子交换树脂。除此还有两性离子交换剂,在其基质中既含有阳离子交换基团,又含有阴离子交换基团。这类离子交换剂在与电解质接触中可形成内盐,通过用水洗的办法很容易使它们获得再生。
偶极子型的离子交换剂是一种特殊种类的两性离子交换剂,它们是通过把氨基酸键合到葡聚糖或琼脂糖上所制得的,它们在水溶液中可形成偶极子。这种类型的离子交换剂非常适合于那些能与偶极子发生选择性相互作用的生物大分子的分离。
螯合型离子交换剂所带的官能团可与某些金属离子形成络合物,这种整合型的离子交换剂比较容易与重金属和碱土金属进行络合。
尽管离子交换剂的种类很多,然而到目前为止,用得最多的仍然是以聚苯乙烯和二乙烯苯为基质的带各类官能团的离子交换剂,但它作为柱填充物有较大的溶胀性,不耐高压,表面积内部的微孔结构会影响溶质的传质速率。因此,近年来随着HPLC中以硅胶为基质的各种键合型固定相的出现和发展,以硅胶为基质的各种键合型离子交换剂的应用也越来越广。最常见的是在薄壳型或全多孔球型微粒硅胶表面键合上各种离子交换基团而制成的,主要类型见表15.3。
表15.3 以硅胶为基质的键合型离于交换剂
|
阳离子交换剂 |
阴离子交换剂 |
两性离子交换剂 |
||
|
键合基团 |
类型 |
键合基团 |
类型 |
键合基团 |
|
|
强酸性 |
|
强酸性 |
|
|
|
弱酸性 |
|
强碱性 |
|
|
|
弱酸性 |
|
强碱性 |
|
|
|
弱酸性 |
|
强碱性 中强碱性 |
|
以硅胶为基质的离子交换剂具有较好的化学稳定性和热稳定性,并能承受较高的压力。为了获得高分离效能,大多采用5~10μm的颗粒度,用匀浆法装柱。但由于硅胶本身不能在碱性条件下使用,因此一般说来必须在pH<7.5的条件下使用。
由于水是优良的溶剂,并且具有电离的性能,因此大部分离子交换色谱都是在水溶液中进行的。一般都采用水的缓冲液,以提供用以离子平衡的反离子,并使移动相保持一定的离子强度和pH值。有时也把少量有机溶剂如乙腈、甲醇、乙醇和四氢呋喃等加入到含水系统中,以便改进样品的溶解性能,并提出独特的选择性变化。有机溶剂的加入还可减小某些样品组分的拖尾现象,从而使待测样品得到良好分离。
在以水溶液为流动相的离子色谱中,缓冲液浓度直接影响着离子平衡。和在液-固色谱、液-液色谱中的情形相类似,缓冲液浓度的增加,会降低样品组分的保留,这是因为流动相中反离子浓度的增加,增强了它与样品离子争夺树脂上离子交换基团的能力,从而减弱了样品组分与离子交换树脂的亲和性。
缓冲液强度的上限取决于流动相中缓冲液盐的溶解性。要避免使用接近饱和的缓冲液浓度,因为若产生盐的沉淀,会造成液相色谱系统的堵塞。其下限由缓冲容量所决定,如果缓冲液太弱,则无法控制流动相的pH值。
流动相中的离子类型能对样品分子的保留产生显著的影响,因为不同的流动相离子与离子交换树脂相互作用的能力是不同的。在离子交换色谱中,广泛使用磷酸、醋酸、柠檬酸、硼酸和甲酸的钠盐、钾盐和铵盐。它们通常与其相应的酸相混合以作酸性缓冲液用,或者把这些盐与NaOH、KOH等混合,用作碱性缓冲液。一般要尽量避免使用盐酸盐,因其对许多仪器的钢材有腐蚀作用。
在离子交换色谱中,还可通过改变流动相的pH值来控制溶质的保留,因为pH值能影响样品分子的解离程度,从而影响它们与离子交换剂相互作用的强弱。
离子交换色谱首先被用于无机物的分离,尤其是核裂变产物的分离。目前利用离子交换色谱不仅可以分离碱金属、碱土金属、稀土元素、镧系和锕系元素及许多重金属,而且许多无机和有机阴离子也可用其进行分析。随着各种新型、高效离子交换剂的研制成功和衍生化技术检测方法和手段的发展,离子交换色谱在氨基酸、蛋白质、核糖核酸、有机胺、有机酸糖类及药物等方面的应用越来越广。
15.8 尺寸排阻色谱法
尺寸排阻色谱(exclusion chromatography,EC)简称排阻色谱法,也称凝胶色谱法(gel chromatography)或分子筛色谱法(lecular sieve chromatography)。排阻色谱法不是根据组分在两相间作用力不同而进行分离,而是依据组分分子体积(流体力学体积)或分子大小而分离。它主要应用于高分子化合物的分离和合成聚合物分子量分布的测定,在生物化学和高分子领域中得到广泛的应用。排阻色谱法的分离机理是简单而明确的,在样品和固定相的表面之间无相互作用的情况下,洗脱次序(或洗脱体积)完全是根据分子的大小。
排阻色谱法采用具有一定孔径分布的多孔性情性物质作为柱填料。柱填料与流动相平衡后,孔内充满着流动相。当样品溶液随流动相流过色谱柱时,比填料最大孔径还大的样品分子不能扩散进入填料孔内,完全被排阻在填料之外,随流动相直接流出色谱柱,比填料最小孔径还小的分子可以扩散进入填料的所有孔内,最后流出色谱柱,中等大小的分子可以进入填料的部分孔内,流出色谱柱的顺序居中。分离过程模型见图15.20。

图15.20 凝胶色谱分离过程模型
由于排阻色谱法的分离原理不是取决于组分与固定相和流动相的相互作用,所以不需用梯度洗脱,实验操作比较简单,重现性好,出峰顺序可以预测,但不能分离具有相同或相似大小的分子,峰容量有限。排阻色谱法可用来分离那些因溶解度、极性、吸附或离子特征无足够差异的高分子化合物,这类化合物不能用其他高效液相色谱法进行分离,排阻色谱还可以分离大分子混合物。
排阻色谱法分析中使用的柱填料(固定相)一般为凝胶,除了要求热稳定性、机械强度和化学情性外,在选择凝胶时还应考虑排阻极限、分离范围、固定相流动相比和柱效,这些都与凝胶的孔径大小分布有关。
某些高交联聚苯乙烯胶和聚合胶可以在高达50个大气压下使用。硅胶或多孔玻璃具有刚性骨架的耐压固体,也可以应用于高压条件下的排阻色谱法。这些材料比起软胶来说具有某些优点:填充比较容易,不需要放在洗脱液中作预先溶胀,且能获得机械性能稳定的柱子(即渗透率与外加压力无关)。在实际应用中,可以使用多种洗脱液,因为填料不需要进行充分的溶胀。又因溶胀度不变,就能够方便地更换洗脱液。这就增加了这种方法的优点和多用性。另一个优点在于这些填料和它们的孔结构适用于所有有机溶剂,甚至在高温下也是如此。例如,在表征聚烯烃的特性时,这一点是非常重要的。
硅胶的孔径也可以做到2nm到2500nm的范围。dp约为10μm或更小些的球形硅胶,其平均孔径为6nm至400nm,可用来分离大多数一般的高聚物。分子量小于1000的物质可用孔径为6nm的硅胶来分离,而当孔径为400nm时,即使是分子量为7×106的高聚物标样也不能被全部排阻。平径孔径约为25nm的硅胶能够分离分子量范围为2000到100000左右的聚苯乙烯样品。
这些极性固定相的缺点在于它们的吸附特性。在很多情况下,通过适当地选择洗脱液可以限制它们的活性。聚苯乙烯则用四氯化碳吸附在硅胶上,而在二氯甲烷、四氢呋喃和二甲替甲酰胺中则被排阻,即它们是基于其分子的大小而被分离的。硅胶表面用三甲基氯硅烷化处理能够消除任何产生干扰的残余基团活性。如果有更多的碳被键合到表面上,如同反相系统那样,则孔容随着被键合碳的数量成比例地减少。
在排阻色谱法中,流动相的作用原则上不像在其它各种液相色谱方法中那样重要,这是由于它的分离并不依赖于样品组分与填料及流动相之间的相互作用,因此对于流动相的选择考虑就显得较为简单,主要要求粘度低、沸点高、能溶解多种大分子样品、能润湿填料。实验中,为了减小溶剂粘度(以降低柱压)和增加样品的溶解度,色谱柱温度常常高于室温;另一方面,流动相必须与所选用的检测器相匹配;在用示差折光检测器时要求流动相的折光指数与样品的折光指数有尽可能大的差别,以得到较高的灵敏度;在用紫外分光光度检测器时,则流动相本身应有较低的紫外截止波长(所谓溶剂的紫外截止波长指当小于截止波长的辐射通过溶剂时,溶剂对此辐射产生强烈吸收,此时溶剂被看作是光学不透明的,它严重干扰组分的吸收测量。)或者至少在所选检测样品的波长处,对于流动相来说应是“透明”的。在排阻色谱中较为常用的溶剂有甲苯、四氢呋喃、卤代芳烃等,其中尤以四氢呋喃最为理想、最常用,但四氢呋喃在贮存时很易产生过氧化物,在日光下生成更快,在蒸馏提纯四氢呋喃时,不能蒸干,否则容易引起爆炸。
排阻色谱法广泛用来测定高聚物的分子质量和各种平均相对分子质量,可以分离从小分子至相对分子质量达106以上的高分子,可以很容易的分离低相对分子质量添加剂及反应物,可对未知物进行初步探索分离。例如可对蛋白质、核酸、油脂、添加剂等样品进行分离分析。
15.9 色谱分离方法的选择
高效液相色谱中几种分离方法都有各自的适用范围,具体选用哪一种分离方法比较合适这决定于样品的性质,如分子量范围、溶解度、官能团类型和其数量等,由红外、紫外、核磁等数据可获得样品的有关信息,有助于选择分离方式。若组分分子量大于2000,应采用排阻色谱法,若样品溶于水,则以水溶液为流动相,若样品溶于有机溶剂,则相应的溶剂可用作流动相;若分子量小于2000,首先应确定样品是否溶于水,若样品溶于水,可考虑用离子交换色谱法、离子色谱法或反相键合相色谱;若样品不溶于水,但溶于有机溶剂,可考虑用键合相色谱或吸附色谱,若样品溶于中等极性或强极性溶剂,应选用非极性或弱极性固定相,若溶于非极性溶剂,则应采用极性固定相。分离方式选择的一般原则如下:
分离方式确定后,可以选择固定相,高效液相色谱中70%以上的分离工作是用反相键合相色谱完成的,流动相与固定相之间存在一定的配比关系。根据分析样品的实际情况,同时借鉴相关文献资料,结合实验室条件,可制定出合适的分离分析条件。但在高效液相色谱中,即使固定相、流动相条件与文献的条件完全一致,也不一定能得到相同的分离效果,必须根据自己的实验来确定最佳条件。
15.10 高效液相色谱法的应用实例
高效液相色谱法经过几十年的发展,在色谱理论研究、仪器研制水平和分析实践应用等方面,已取得长足的进步。高效液相色谱应用很广,尤其适合分离分析不易挥发、热稳定性差和各种离子型化合物。例如分离维生素、氨基酸、蛋白质、糖类和农药等。
[例15.1]
高效液相色谱法测定灰叶胡杨花粉样品中17种氨基酸。
解:
分析样品:灰叶胡杨花粉
分析项目:17种氨基酸
仪器与试剂:Waters2695型高效液相色谱仪(主要包括2487双波长紫外-可见检测器,2695二极管阵列检测器,柱温箱,自动进样器,自动脱气四元梯度泵等),Acc Q. Tag氨基酸测定试剂盒:包括Acc Q-FlourTM氨基酸衍生剂,衍生剂稀释液,17种混合氨基酸标准溶液。
色谱条件:WatersAccQ.Tag氨基酸分析柱(
表15.4 梯度洗脱程序
|
时间(min) |
流速(mL/min) |
流动相A(%) |
流动相B(%) |
流动相C(%) |
混合曲线 |
|
0.01 |
1.00 |
100.0 |
0.0 |
0.0 |
6 |
|
0.50 |
1.00 |
99.0 |
1.0 |
0.0 |
11 |
|
18.00 |
1.00 |
95.0 |
5.0 |
0.0 |
6 |
|
19.00 |
1.00 |
91.0 |
9.0 |
0.0 |
6 |
|
29.50 |
1.00 |
83.0 |
17.0 |
0.0 |
6 |
|
33.00 |
1.00 |
0 |
60.0 |
40.0 |
11 |
|
36.00 |
1.00 |
100.0 |
0.0 |
0.0 |
11 |
|
45.00 |
1.00 |
100.0 |
0.0 |
0.0 |
6 |
分析结果:采用AccQ.Tag柱前衍生、反相高效液相色谱分离法测定灰叶胡杨花粉中氨基酸的含量。采用外标法,梯度洗脱的方式分析。结果17种氨基酸在35 min内均可得到很好的分离,该本方法分离效果好、灵敏、准确。分离色谱图见图15.21。

图15.21 灰叶胡杨花粉样品中17种氨基酸的分析色谱图
[例15.2]
高效液相色谱法测定农药残留。
解:
分析样品:棉花地土壤
分析项目:多菌灵、吡虫啉和甲基托布津
仪器与试剂:Waters2695液相色谱仪,Atlantis
dC18色谱柱(5μm,4.6×
色谱条件:流动相为甲醇-0.1
mol·L-1H3PO4,流速为1 mL·min-1,使用前经0.45μm膜过滤;柱温为
测定波长的选择:用二极管阵列检测器在200~300 nm波长范围内扫描得到多菌灵的最大吸收波长在229 nm左右,但在267 nm处的吸收也比较高,吡虫啉在269 nm处有最大吸收,甲基托布津的最大吸收波长为229和267 nm。综合考虑,确定检测波长为267 nm,3种物质都有较好的灵敏度。
分析结果:利用高效液相色谱法同时测定土壤中多菌灵、吡虫啉和甲基托布津残留利用C18柱分离,紫外检测器检测,在7 min内实现了3种农药的同时分离测定。3种农药的平均回收率为87%、97%和92%,相对标准偏差为9.8%、8.1%和11.0%。色谱图见图15.22。

图15.22 土壤中多菌灵、吡虫啉和甲基托布津残留色谱图
(A)标准物质色谱图 (B)土壤空白色谱图 (C)土壤加标色谱图
1. 多菌灵 2. 吡虫啉
3. 甲基托布津
[例15.3]
高效液相色谱法测定食品中防腐剂
解:
分析样品:酱油、果汁及醋和果酒等
分析项目:对羟基苯甲酸酯类
仪器与试剂:Waters2695型高效液相色谱仪,SunFireTMC18高效液相色谱柱(5um,3.0*
色谱条件:流动相为甲醇/0.1mol·L-1HCl,流速为1mL·min-1,使用前经0.
45um膜过滤。柱温为
分析结果:应用高效液相色谱法在紫外检测器上同时测定食品中4种对羟基苯甲酸酯类防腐剂。方法的线性范围较大,方法的检出限为4.2 mg·kg-1~6.2 mg·kg-1,测定的回收率为91.2% ~104.9%。所建立的方法简便、快速、灵敏度高,并具有良好的精密度与准确度,可以满足食品中此类防腐剂检测的要求。见图15.19。

图15.19 样品加标色谱图
1.对羟基苯甲酸甲酯 2.对羟基苯甲酸乙酯 3.对羟基苯甲酸丙酯 4.对羟基苯甲酸丁酯
思考题与习题
15.1 高效液相色谱仪有哪几部分组成?各部分有哪些主要作用?
15.2 什么是化学键合相色谱?化学键合固定相的优点是什么?
15.3 比较正相化学键合相和反相化学键合相的特点。
15.4 从分离原理、仪器构造及应用范围上比较高效液相色谱与经典液相色谱、气相色谱的异同点。
15.5 什么是梯度洗脱?如何实现梯度洗脱?
15.6 在一正相色谱柱上,某样品当用1:1的氯仿和正己烷(体积比)为流动相时,其保留时间为29.1min,不被保留组分的保留时间为1.05min。计算试样物质的容量因子k。
15.7简述液相色谱中引起色谱峰扩展的主要因素。如何减少谱带扩张,提高柱效?
15.8 指出下列物质在正相色谱和在反相色谱中的洗脱顺序:
a.正己烷,正己醇,苯 b.乙酸乙酯,乙醚,硝基丁烷
15.9 为何高效液相色谱法一般采用全多孔微粒型固定相?